high
performance
tooling





VHM- Werkzeuge

Verzahnen

Ob Wälzfräsen oder Wälzschälen - bei uns finden Sie das passende Werkzeug für Ihre Anforderungen. Durch unsere jahrelange Erfahrung im Bereich der Verzahnungswerkzeuge und unsere modernen Fertigungsprozesse können wir Ihnen höchste Präzision und Qualität garantieren. Wir setzen auf modernste Technologien und legen großen Wert auf eine kontinuierliche Weiterentwicklung.

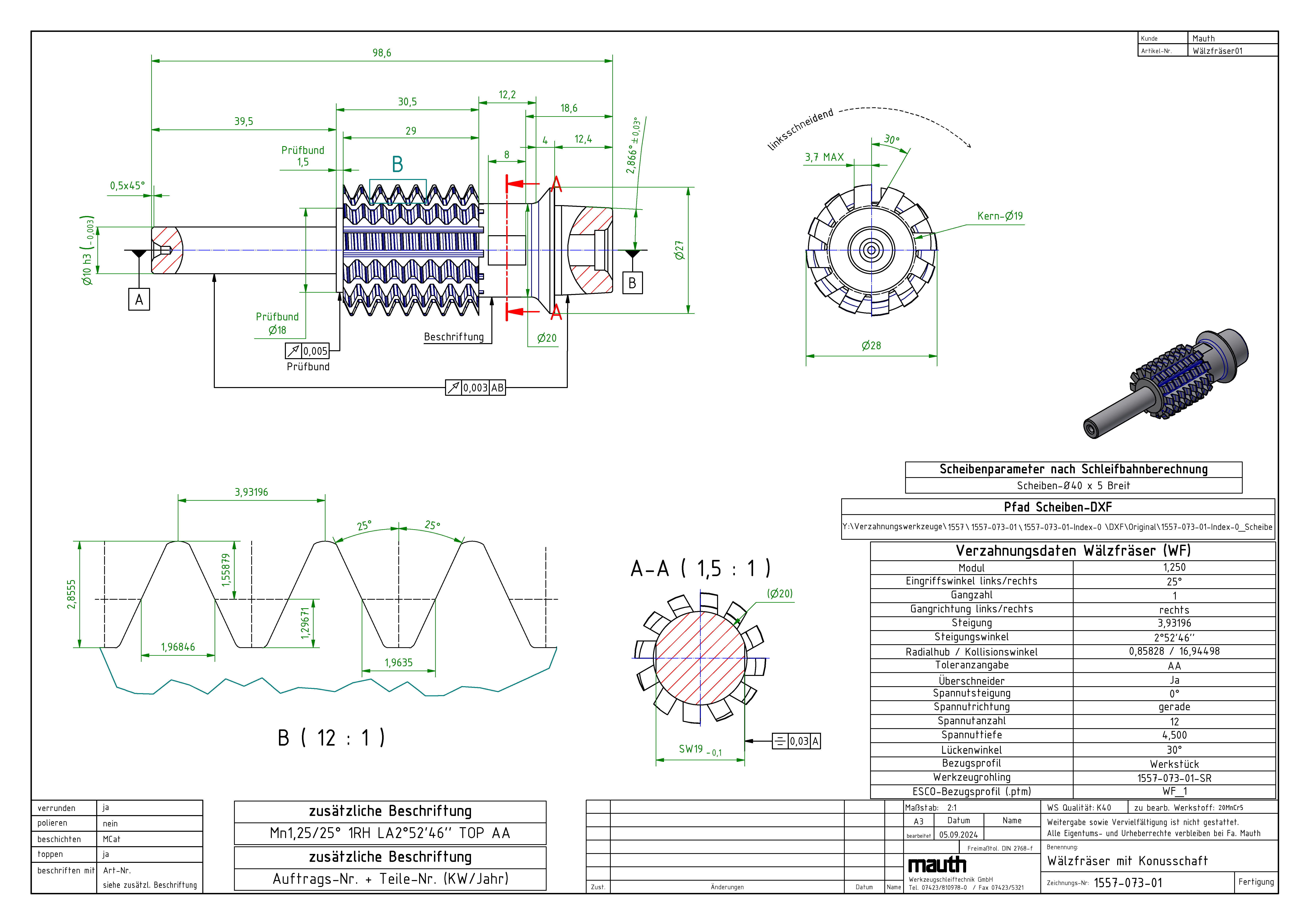
Wälzfräswerkzeuge sind die unverzichtbaren Helfer für die präzise Herstellung von Zahnrädern, Getrieben und anderen rotierenden Bauteilen. Mit ihrer Hilfe lassen sich komplexe Geometrien in höchster Qualität und Genauigkeit fräsen. Dabei kommt es auf jedes Detail an: Von der Form des Werkzeugs über die Wahl des passenden Materials bis hin zur perfekten Abstimmung auf die jeweilige Anwendung. Wälzfräswerkzeuge sind wahre Meisterwerke der Technik, die in der modernen Fertigung unverzichtbar sind. Ob in der Automobilindustrie, im Maschinenbau oder in der Luft- und Raumfahrt – überall dort, wo es auf höchste Präzision und Zuverlässigkeit ankommt, sind Wälzfräswerkzeuge im Einsatz. Mit ihrer Hilfe werden die Grundlagen für die Mobilität und den Fortschritt von morgen gelegt.

Wälzschälräder sind ein unverzichtbarer Bestandteil von Maschinen und Anlagen, die in der industriellen Fertigung zum Einsatz kommen. Sie dienen dazu, Verzahnungen auch auf komplexen Bauteilen herzustellen. Ob Innen- oder Außenverzahnung, gerade oder Schrägverzahnung, Wälzschälräder können flexibel auf Dreh-Fräszentren sowie Mehrspindeln eingesetzt werden. Aufgrund der Bauart der Werkzeuge, sowie der Bearbeitungsstrategie können Verzahnungen trotz Störkonturen schnell, flexibel und dadurch sehr wirtschaftlich hergestellt werden. Sie haben Fragen? Unsere Experten stehen Ihnen gerne zur Verfügung, um Ihnen bei allen Fragen weiterzuhelfen.

ZUR ÜBERSICHT