high
performance
tooling





Solid carbide tools

Gear Cutting

Whether gear hobbing or skiving, we have the right tool for your needs. Thanks to our years of experience in the field of gear cutting tools and our modern manufacturing processes, we can guarantee you the highest precision and quality. We rely on state-of-the-art technologies and place great emphasis on continuous development.

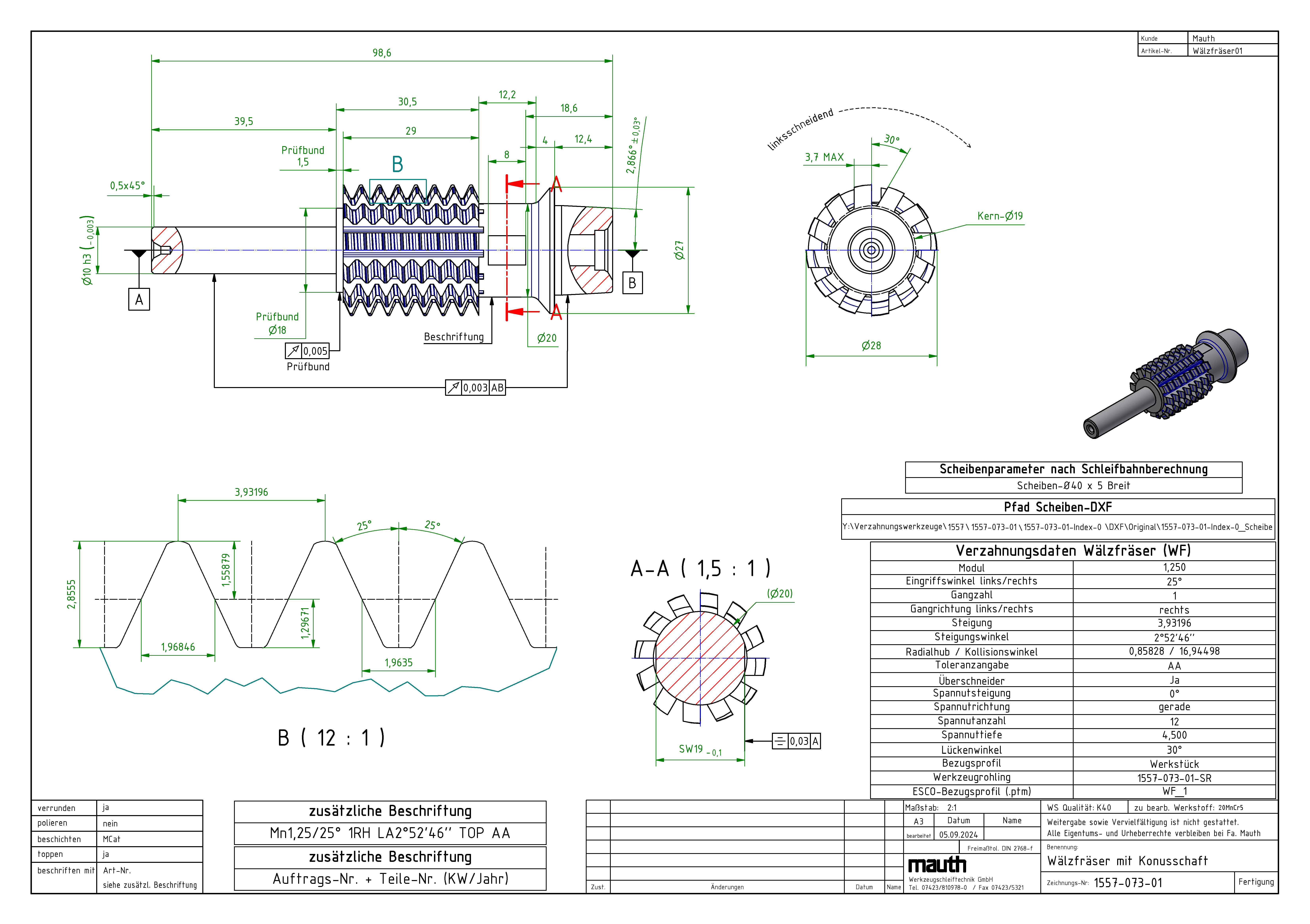
Hobbing tools are indispensable aids for the precise production of gears, transmissions, and other rotating components. They enable complex geometries to be milled with the highest quality and precision. Every detail counts: from the shape of the tool and the selection of the appropriate material to perfect coordination with the specific application. Hobbing tools are true masterpieces of technology that are indispensable in modern manufacturing. Whether in the automotive industry, mechanical engineering, or aerospace – wherever the highest precision and reliability are required, hobbing tools are used. They help lay the foundations for tomorrow's mobility and progress.

Hobbing wheels are an indispensable component of machines and systems used in industrial manufacturing. They are used to produce gears, even on complex components. Whether internal or external gears, straight or helical gears, skiving wheels can be flexibly used on turning/milling centers and multi-spindle machines. Due to the design of the tools and the machining strategy, gears can be produced quickly, flexibly, and therefore very cost-effectively, despite interfering contours. Do you have any questions? Our experts are happy to assist you with any questions.

OVERVIEW